Showing 46 products
FISH307.com is a Minn Kota Authorized Service Center.
\t\t\t\t
Our Service Rate is $150 per hour plus parts, applicable tax, and freight.
For In-Shop Service Please ship your unit to:
\t\tFISH307.com
Repair Department
814 Goggins Road
Lake George, NY 12845
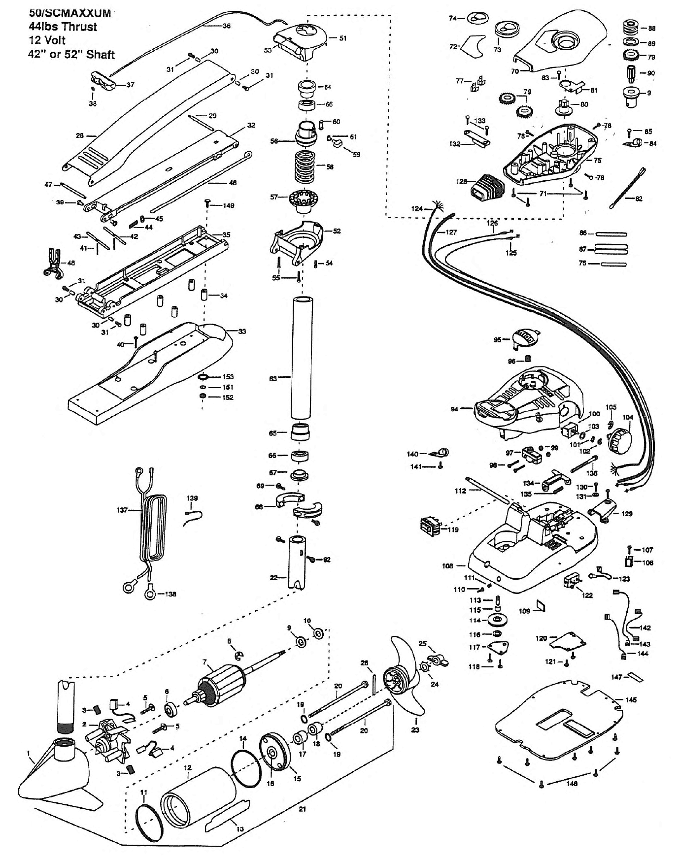
Minn Kota Maxxum 50 SC (52 inch) Parts - 2000
\t
\t\t
\t\t\tOnline parts ordering instructions
\t\t
- Use the schematic to find the part you need.
- Find the part needed listed in numeric order in thelistings below.
- Enter the quantity needed in the "Quantity" box.
- Click the "Add to Cart" button.
\t\t\t
\t- \t\t\t\t
- Download Diagram (pdf) \t\t\t\t
- View Full Size Diagram \t\t\t
\t
\t\t
\t\t
\t\t
\t
\t\t\t