null

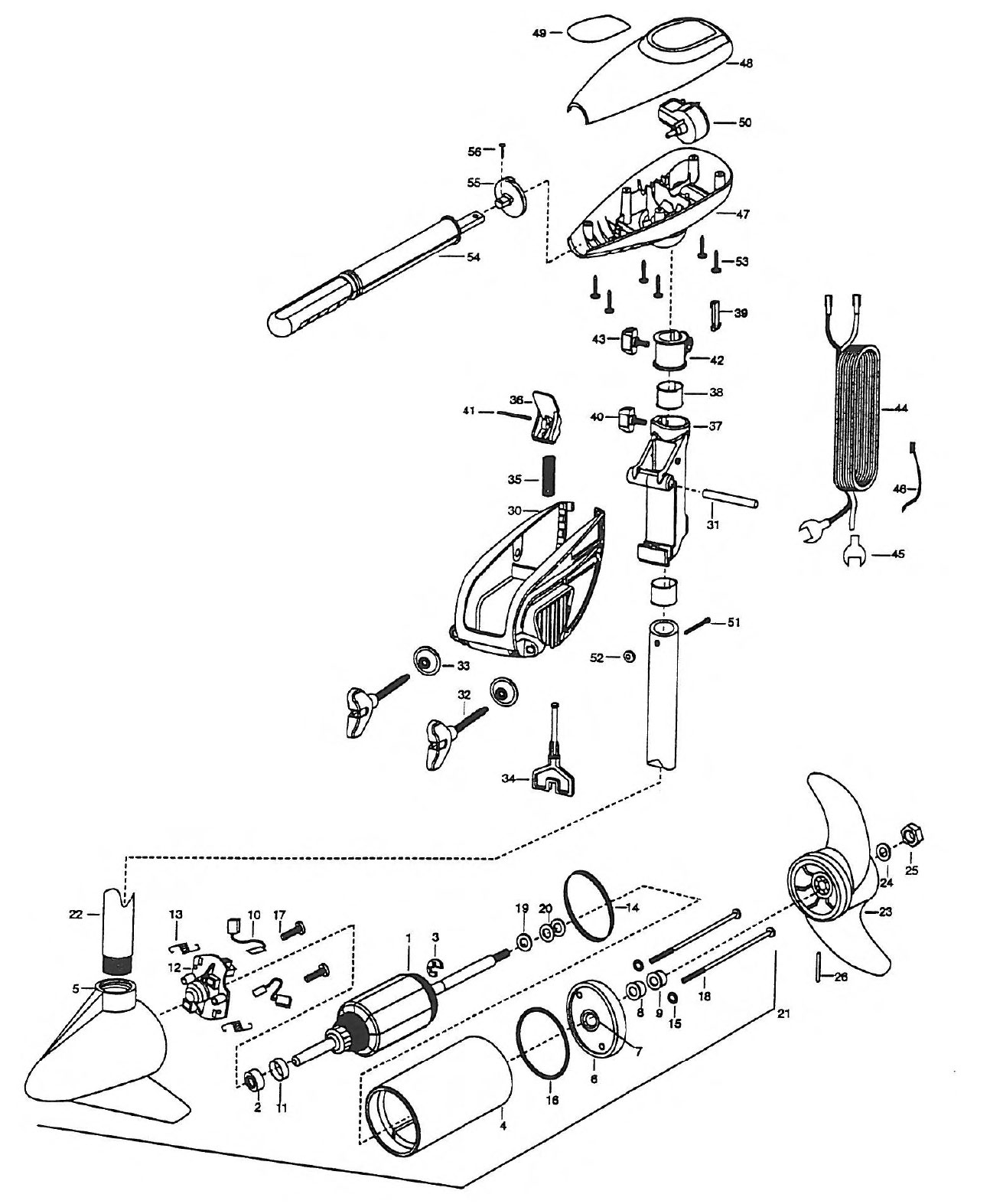
Minn Kota Powermax 47 Parts - 2002

Minn Kota Powermax 47 Parts - 2002

FISH307.com is a Minn Kota Authorized Service Center.

Our Service Rate is $150 per hour plus parts, applicable tax, and freight.

For In-Shop Service Please ship your unit to:

FISH307.com
Repair Department
814 Goggins Road
Lake George, NY 12845

Minn Kota Powermax 47 Parts - 2002
Online parts ordering instructions
  1. Use the schematic to find the part you need.
  2. Find the part needed listed in numeric order in the listings below.
  3. Enter the quantity needed in the "Quantity" box.
  4. Click the "Add to Cart" button.
No returns or exchanges on any electronic parts, boards, motors, or switches.
Expand Product Diagram ›