null

Minn Kota PowerDrive 50 Parts - 1998

Showing 59 products
Filters
  • Product
  • Qty in Cart
  • Quantity
  • Price
  • Subtotal
  • Minn Kota MKP-7 Weedless Wedge Propeller 2091150 Minn Kota Weedless Wedge Propeller 2091150 / MKP-7 / 1378122 / 1865006

    Minn Kota Weedless Wedge Propeller 2091150 / MKP-7 / 1378122 / 1865006

    $35.69
    Prop nut, washer, and drive pin (if applicable) included with prop. Specifications Fits Motor Diameter 3-5/8" Uses Prop Nut Kit "A" Current Minn Kota Part number: 1378122 Previous Numbers: 2091150, MKP-7, 2091140 Fits the following Motors Motor Models...
    Qty in Cart: 0
    Quantity:
    Price:
    $35.69
    Subtotal:
  • Minn Kota Trolling Motor Part - LEADWIRE HARNESS / WIRING KIT - 2770610 Minn Kota Trolling Motor Part - LEADWIRE HARNESS / WIRING KIT - 2770610

    Minn Kota Trolling Motor Part - LEADWIRE HARNESS / WIRING KIT - 2770610

    $50.87
    LEADWIRE KIT #1,10 AWG,SERVICE  Universal Wiring Kit Kit Contains; 1 - Instruction Sheet1 - 5' of 10 Guage 2 Conductor Wire1 - Aligator Clip With Black Insulators1 - Aligator Clip With Red Insulators4 - Spade Terminals2 - Large Ring Terminals2 -...
    Qty in Cart: 0
    Quantity:
    Price:
    $50.87
    Subtotal:
  • Total: items /

Adding your products to cart

FISH307.com is a Minn Kota Authorized Service Center.

Our Service Rate is $80 per hour plus parts, applicable tax, and freight.

For In-Shop Service Please ship your unit to:

Fish307.com
Repair Department
6 State Route 149
Lake George, NY 12845

Minn Kota PowerDrive 50 Parts - 1998
Online parts ordering instructions
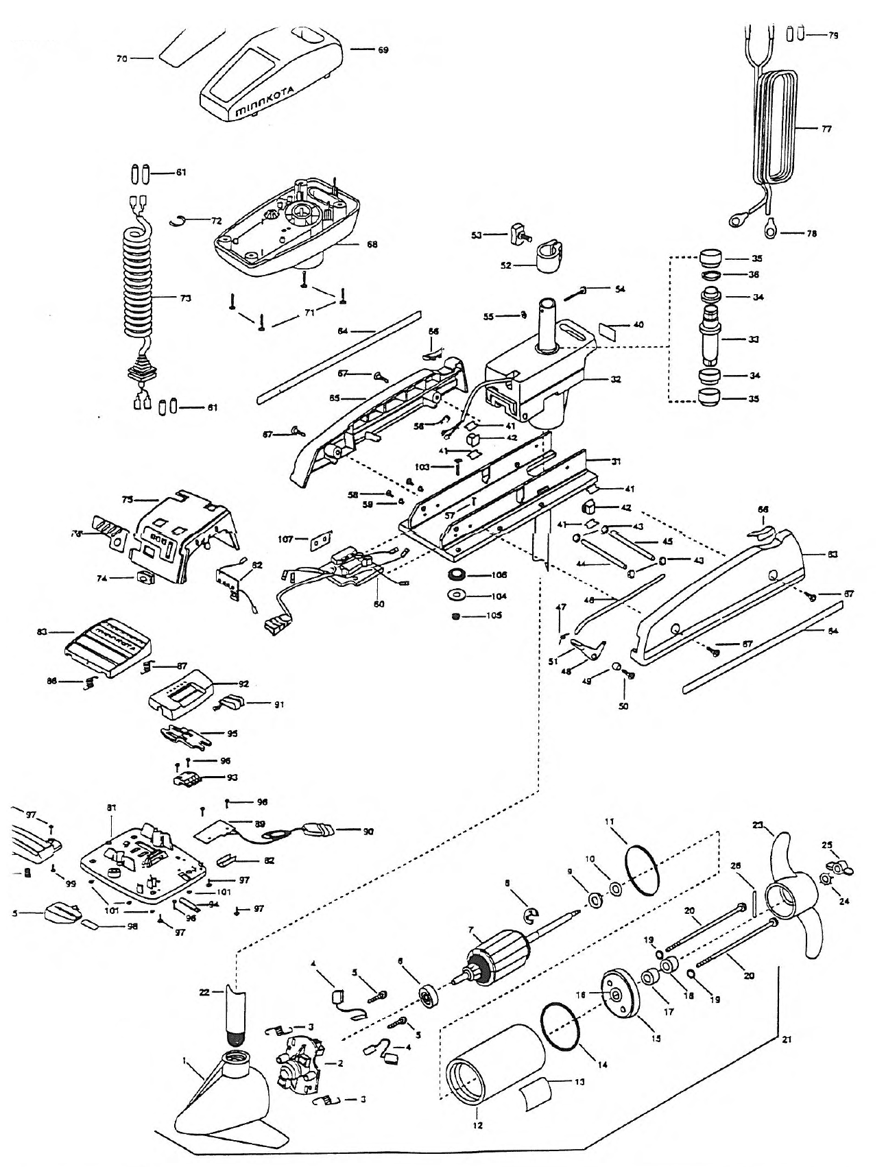
  1. Use the schematic to find the part you need.
  2. Find the part needed listed in numeric order in the listings below.
  3. Enter the quantity needed in the "Quantity" box.
  4. Click the "Add to Cart" button.
No returns or exchanges on any electronic parts, boards, motors, or switches.
Expand Product Diagram ›