null

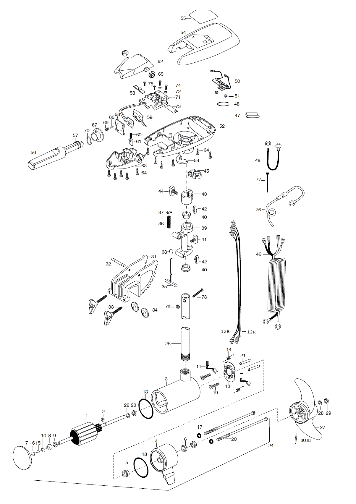
Minn Kota Maxxum 74T (42 inch) Parts - 2003

Minn Kota Maxxum 74T (42 inch) Parts - 2003

FISH307.com is a Minn Kota Authorized Service Center.

Our Service Rate is $90 per hour plus parts, applicable tax, and freight.

For In-Shop Service Please ship your unit to:

Fish307.com
Repair Department
6 State Route 149
Lake George, NY 12845

Minn Kota Maxxum 74T (42 inch) Parts - 2003
Online parts ordering instructions
  1. Use the schematic to find the part you need.
  2. Find the part needed listed in numeric order in the listings below.
  3. Enter the quantity needed in the "Quantity" box.
  4. Click the "Add to Cart" button.
No returns or exchanges on any electronic parts, boards, motors, or switches.
Expand Product Diagram ›
 
Total: 0item / $0.00