null

Minn Kota Electric Primary EP48 Parts - 1998

Showing 35 products
Filters
  • Product
  • Qty in Cart
  • Quantity
  • Price
  • Subtotal
  • Total: items /

Adding your products to cart

\t
\t\t
\t\t\tFISH307.com is a Minn Kota Authorized Service Center.

Our Service Rate is $80 per hour plus parts, applicable tax, and freight.

\t\t
\t\t
\t\t\t\t\t\t\t\t\t\t\t
\t\t\t\tFor In-Shop Service Please ship your unit to:

Fish307.com
Repair Department
6 State Route 149
Lake George, NY 12845

\t\t\t
\t\t
\t\t\t\t
Minn Kota Electric Primary EP48 Parts - 1998
\t
\t\t
\t\t\tOnline parts ordering instructions
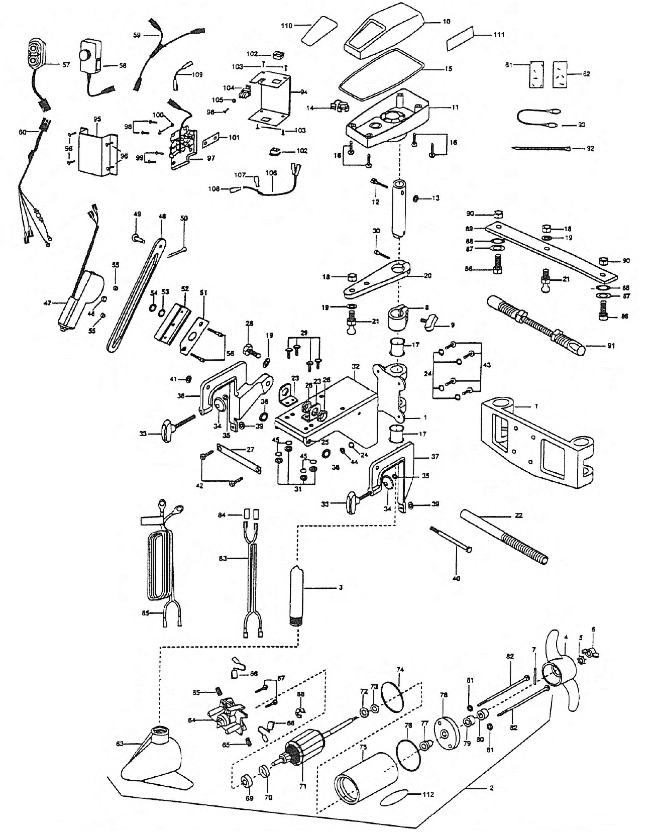
  1. Use the schematic to find the part you need.
  2. Find the part needed listed in numeric order in thelistings below.
  3. Enter the quantity needed in the "Quantity" box.
  4. Click the "Add to Cart" button.
Noreturns or exchanges on any electronic parts, boards, motors, or switches.\t\t
\t\t
\t\t\t \t\t
\t
\t
\t\t
\t\t\t\t\t\t\t\t\t\t\t\t\t\t\t
\t\t
\t\t\tExpand Product Diagram ›\t\t
\t\t
 
\t