null

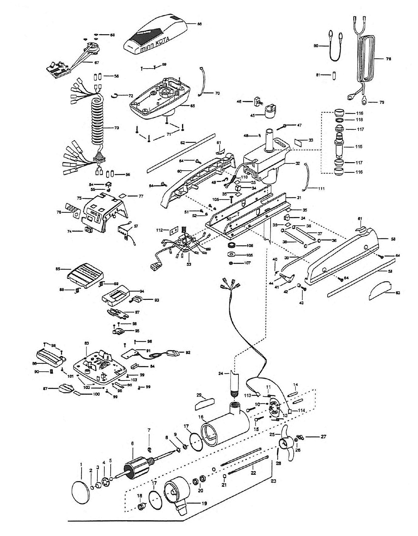
Minn Kota Auto Pilot 64 Parts - 1999

Showing 69 products
Filters
  • Product
  • Qty in Cart
  • Quantity
  • Price
  • Subtotal
  • Minn Kota Trolling Motor Part - MTR ASY 24V 4" 80 W/PROP KIT - 2886229
    Only 1 left

    Minn Kota Trolling Motor Part - MTR ASY 24V 4" 80 W/PROP KIT - 2886229

    $294.99
    Replaces 2316219 2316229 2316233 2316236 2316237 2316238 2316239 2316249 2317030 2317031 2317032 2317033 2317036 2317037 2317038 2317049 2317219 2317233 2317236 2317237 2317238 2317239 2317249 2317250 2319050 2319051 2319253 2886217 2316217 No Returns Or...
    Qty in Cart: 0
    Quantity:
    Price:
    $294.99
    Subtotal:
  • Total: items /

Adding your products to cart

FISH307.com is a Minn Kota Authorized Service Center.

Our Service Rate is $150 per hour plus parts, applicable tax, and freight.

For In-Shop Service Please ship your unit to:

FISH307.com
Repair Department
814 Goggins Road
Lake George, NY 12845

\t\t\t
\t\t
\t\t\t\t
Minn Kota Auto Pilot 64 Parts - 1999
\t
\t\t
\t\t\tOnline parts ordering instructions
  1. Use the schematic to find the part you need.
  2. Find the part needed listed in numeric order in thelistings below.
  3. Enter the quantity needed in the "Quantity" box.
  4. Click the "Add to Cart" button.
Noreturns or exchanges on any electronic parts, boards, motors, or switches.\t\t
\t\t
\t\t\t \t\t
\t
\t
\t\t
\t\t\t\t\t\t\t\t\t\t\t\t\t\t\t
\t\t
\t\t\tExpand Product Diagram ›\t\t
\t\t
 
\t